1550nm 버터플라이 타입 DFB 레이저 다이오드는DFB 격자를 통해 레이저를 생산 및 제어하며 중심파장은 1540nm ~ 1560nm사이에서 자유롭게 선택할수 있습니다. DFB 레이저 다이오드는 다른 종류의 레이저 다이오드에 비해 낮은 임계치 전류와 동작전압을 가지고 있습니다. 본 제품은 단색성이 뛰여나며 1550nm파장에서0.1nm스펙트럼 폭을 가지고 1560nm파장에서1nm스펙트럼 폭을 가지며 정상적인 동작하에서 광출력은 2mW ~ 12mW입니다.
버터플라이 타입 DFB 레이저 다이오도는 MQW-DFB 레이저 다이오드 칩을 탑재하여 고선형성 및 고출력을 가지고 있습니다. 본 제품은 14핀 버터플라이 패키지를 채택하였으며 단일모드 FC/APC형태 광커넥터를 통해 쉽게 회로에 연결할수 있습니다. DFB레이저 다이모드는 고속 장거리 통신에서 손실이 상당히 작아, CATV전송경로 및1310nm 또는 1550nm 방송, 점대점(point-to-point),장거리 광섬유 통신에서 광원으로 사용됩니다.
최대 정격 절대값
| 파라미터 | 기호 | 조건 | 최소 | 최대 | 단위 |
| 동작 케이스온도 | Tc | I=Iop | -20 | 100 | ℃ |
| 보존온도 | Tstg | - | -40 | 85 | ℃ |
| 레이저 순방향 전류 | If | - | - | 120 | mA |
| 레이저 역방향 바이어스 | Vr | - | - | 2 | V |
| 포토다이오드 역방향 바이어스 | Vrpd | - | - | 10 | V |
| TEC 전류 | Itec | -20 ℃ < Tc <+65 ℃, Top=25 ℃ If=100 mA | - | 1.5 | A |
| 납땜 온도 | - | - | - | 260 | ℃ |
| 납땜 시간 | - | - | - | 10 | S |
| 광섬유 굽힘 반지름 | - | - | 30 | - | mm |
| 광섬유 항복강도 | - | - | - | 1 | kgf |
광학적 & 전기적 특성
| 파라미터 | 기호 | 시험조건 | 최소 | 평균 | 최대 | 단위 |
| 중심파장 | λc | CW | 1540 | 1550 | 1560 | nm |
| 스펙트럼 폭 (-20 dB) | Δλ | CW | - | 0.1 | 1.0 | nm |
| 광출력파워 | Po | CW, TL=25 ℃ | 2 | - | 12 | mW |
| 광절연 | IS | T=25 ℃ | 30 | - | - | dB |
| 부모드 억제율 | SMSR | CW | 30 | - | - | dB |
| 임계치 전류 | Ith | TL=25 ℃ | - | 9 | 15 | mA |
| 동작 전류 | Iop | CW | - | - | 120 | mA |
| 순방향 전압 | VF | CW | - | 1.2 | 2.0 | V |
| 모니터 전류 | Imon | Vrpd=5 V | 100 | - | 1500 | μA |
| 모니터 암전류 | ID | Vrpd=5 V | - | - | 100 | nA |
| 동작 케이스온도 | T | - | -20 | - | 60 | ℃ |
| 트래킹에러 | γ | TE=10log(Po(Tc)/Po(25℃) | -0.5 | - | 0.5 | dB |
| 서미스터 온도계 | Rt | T=25 ℃ | 9.5 | - | 10.5 | KΩ |
| TEC 전류 | IC | ΔΤ=40℃ | - | - | 1.0 | A |
| TEC 전압 | VC | ΔΤ=40℃ | - | - | 2.0 | V |
| 반송파 대 잡음비 | CNR | 84 CH, PAL | 51 | - | - | dB |
| 컴포지트 2차 오더 | CSO | 84 CH, PAL | - | -60 | -57 | dBc |
| 컴포지트 3차 비트 | CTB | 84 CH, PAL | - | -67 | -65 | dBc |
| 주파수대역 | F | - | 45 | - | 870 | MHz |
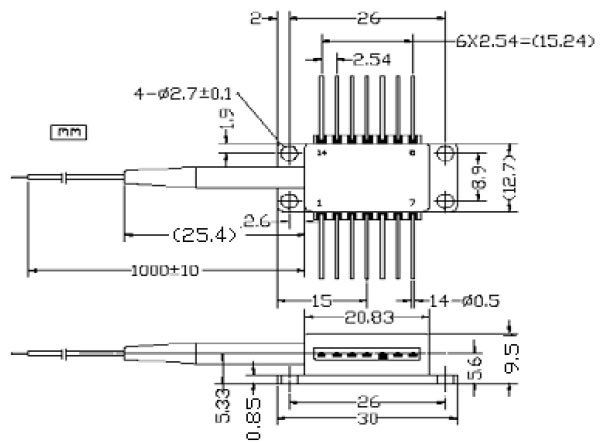
핀 설명
| 핀 | 설명 | 핀 | 설명 |
| 1 | 서미스터 | 8 | 접지 |
| 2 | 서미스터 | 9 | 접지 |
| 3 | LD(N)바이어스 | 10 | 접지 |
| 4 | 검출기(P) | 11 | LD(P), 접지 |
| 5 | 검출기(N) | 12 | LD(N),RF변조 |
| 6 | TEC(+) | 13 | LD(P), 접지 |
| 7 | TEC(-) | 14 | 접지 |
주문내용
SBF-X55XX-XXX
| S | BF | -x | 55 | x | x | -x | x | x |
| 모드 | 제품 | 타입 | 파장 | 절연체 | 비율 | 커넥터 | 피그테일 길이 | 출력범위 |
| F:FP D:DFB C:CWDM | 55:1550nm | S:싱글 B:듀얼 W:없음 | 3:1.25Gb/s 2:2.5Gb/s 4:4.25Gb/s 6:6Gb/s 1:10Gb/s | 1:FC/APC 2:FC/PC 3:SC/APC 4:SC/PC 5:LC/PC W:Without | 5:0.5M 1:1M | 1:2~4mw 2:5~7mw 3:8~10mw 4:11~13mw 5:14~16mw 6:17~19mw 7:20~22mw 8:23~25mw 9:26~28mw |
우리는 중국의1550nm 버터플라이 타입 DFB 레이저 다이오드 전문 제조업체 및 공급업체로서1550nm 동축 피그테일 DFB 레이저다이오드 모듈, 1270nm-1610nm CWDM 동축 피그테일 레이저다이오드 모듈, 1653nm가스검출용 레이저 다이오드, 650nm 적색광원 동축 피그테일 레이저다이오드, InGaAs PIN-TIA 검출기등 다양한 광전자 소자를 제공하고 있습니다.

